鉅大鋰電 | 點擊量:0次 | 2018年07月27日
如何正確選用充電樁中剩余電流保護器
新能源汽車市場的增長離不開基礎充電設施的建設,如何保證充電過程中的用電安全,尤其是防止泄漏電流對生命財產造成危害,是值得關注的問題。
隨著近兩年來的新能源汽車數量的爆發式增長,其配套設施充電樁的建設規模也隨之擴大。2010年-2017年七年間,我國充電樁數量已經從千余個增長至21萬個。新能源汽車市場的增長離不開基礎充電設施的建設,如何保證充電過程中的用電安全,尤其是防止泄漏電流對生命財產造成危害,是值得關注的問題。
剩余電流保護器(ResidualCurrentOperatedProtectiveDevices,RCD)作為一種漏電保護器,被廣泛應用于低壓配電系統中,用于防止電擊事故、電氣設備漏電損壞和電氣火災。同樣在電動汽車充電領域,RCD也作為一種基本電氣保護裝置被廣泛應用。
電動汽車充電一共有四種模式,在GB/T18487.1-2015《電動汽車傳導充電系統第1部分:通用要求》中有明確說明。
模式一使用充電連接電纜將電動汽車與交流電網相連,剩余電流保護主要依靠建筑配電箱中的剩余電流保護裝置(RCD),由于不能保證所有現存建筑物裝置都配有RCD,所以這種方式十分危險,已經被禁止使用;
模式二在充電連接電纜上安裝了纜上控制保護裝置(IC-CPD),IC-CPD內部具有剩余電流檢測保護功能;
模式三使用專用供電設備,將電動汽車與交流電網直接連接,并且在專用供電設備上安裝了控特種引裝置,專用供電設備即交流充電樁;
模式四將電動汽車連接交流電網或直流電網時,使用了帶控特種引功能的直流供電設備,即直流充電樁。在這里,我們主要討論模式三、模式四充電樁內的剩余電流保護器的選用。
在GB/T18487.1-2015中要求,交流供電設備的剩余電流保護器宜采用A型或B型,符合GB14084.2-2008,GB16916.1-2014和GB22794-2008的相關要求。如圖1所示為充電模式3控特種引電路原理圖,在供電設備內部安裝了剩余電流保護器。

圖1充電模式3控特種引電路原理圖
什么是A型或者B型剩余電流保護器?我國的剩余電流保護裝置(RCD)指導性標準GB/Z6829-2008(IEC/TR60755:2008,MOD)《剩余電流動作保護器的一般要求》從產品的基本結構、剩余電流類型、脫扣方式等方面作了劃分。根據剩余電流類型可將RCD分為AC型、A型、B型。
AC型剩余電流保護器:對突然施加或緩慢上升的剩余正弦交流電流確保脫扣的RCD。A型剩余電流保護器:包含AC型的特性并對脈動直流剩余電流、脈動直流剩余電流疊加6mA平滑剩余電流確保脫扣的RCD。B型剩余電流保護器:包含A型的保護特性,此外,還能對1000Hz及以下的正弦交流剩余電流、交流剩余電流疊加平滑直流剩余電流、脈動直流剩余電流疊加平滑剩余電流、兩相或多相整流電路產生的脈動直流剩余電流、平滑直流剩余電流確保脫扣的RCD。

圖2交流充電樁內部結構
目前,由于B型RCD價格過于昂貴,國內大部分的交流充電樁內部安裝的都是A型剩余電流保護器。下圖所示為交流充電樁內部結構圖,使用了A型剩余電流保護裝置。
那么A型的剩余電流保護器能滿足充電樁的漏電保護要求嗎?我們來分析一下充電過程中可能產生的剩余電流類型。

圖3電動汽車充電設施與電網及電動車間連接示意圖
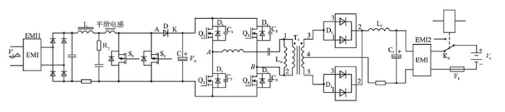
如圖3所示,在使用交流充電樁充電過程中,交流充電樁和車輛耦合器與公共電網相連,樁內如果由于絕緣破壞,可能產生工頻交流漏電流。在電動汽車部分,可能產生的漏電流主要來自于車載充電機漏電,充電機一般拓撲主要為AC/DC和DC/DC兩部分。如下圖所示為一種常見車載充電機的主電路圖。

圖4一種車載充電機主電路原理圖
AC/DC部分單相輸入交流電首先經過EMI濾波,然后在Boost型APFC電路作用下將85~265V的交流電整流成穩定輸出的直流400V電壓,并為后級提供直流輸入。DC/DC部分采用移相全橋LLC主電路將直流電壓400V轉化成蓄電池可接受的電壓。
當電路板與設備外殼之間絕緣損壞時,在整流部分可能產生脈動直流剩余電流,在Boost型APFC電路中可能會產生紋波系數很小的直流剩余電流。這里借用Bender的圖來詳細說明直流剩余電流的產生及危害。

圖5隔離式充電機直流漏電的產生
可以看到,在DC/DC部分推挽全橋變換器當中可能發生直流漏電,我國低壓配電系統一般采用TN形式供電,設備金屬外殼與工作零線相接,直流漏電會通過車身和PE線反饋到充電線路上,對整個系統電流波形造成影響。通過對等效電路的仿真,發現整個系統的電流波形會改變,如下圖所示。

圖6充電機直流故障系統電流波形
可以看到在后端發生直流漏電之后,也會影響到前級電路,整流過后的脈動直流波形發生畸變,產生尖刺,逐級對后端電路產生干擾,影響到充電效果,甚至影響蓄電池壽命。另一方面,由于TN系統的存在,這種故障不會在車身形成較大電壓,對人體危害較小,然而如果連接系統地線缺失或者PE線斷開,那么這部分電壓就會傷害到人體。實際上國內很多地方尤其農村地區PE線地線的連接都存在問題。現有的A型RCD僅能在檢測脈動直流漏電時不受直流6mA電流的干擾,而無法檢測到直流漏電并斷開保護,當直流漏電大于6mA時,由于直流剩余電流會引起磁芯預先磁化,使脫扣值增大,導致A型RCD無法正常動作,因而必須使用B型RCD進行保護!
同樣的在直流充電樁內部是通過非車載充電機將市電轉換成高精度直流電給蓄電池充電。直流充電樁漏電保護分為交流側和直流側,理論上交流側也需要增加B型RCD進行保護,直流側需要加裝直流對地絕緣監測裝置,檢測直流正極和負極對地絕緣檢測情況。
在可預見的未來內,隨著新能源汽車走進千家萬戶,充電樁將成為老百姓生活中必不可少的一部分,因而,充電樁內剩余電流保護器的更新換代十分必要,只有安全的用電環境才能讓大家放心地享受新能源汽車帶來的便利。
Magtron基于iFluxgate技術的SoC芯片整體方案,為B型漏電保護進行了數字化集成,為RCCB從傳統的AC型/A型向B型的技術升級,提供了一套高性價比的B型漏電解決方案,為充電設備的用電安全提供了更好的保障。·
上一篇:了解通用動力電池組裝流程










